Back to "Main"    CatCam - Introduction and Technical Background
  

       News

There is now a FAQ and additional technical instructions. You can find these in Support + Questions.

There is also a new version of the VQ1005 available. Similar design, but 3 Megapixel resolution. It is called VQ3005. But it appears that the shutter speed is slower than the VQ1005, the result for usage as CatCam are probably blurry images.


       Introduction

Sometimes I have some challenging ideas, or crazy like some other people would say. This time I thought about our cat who is the whole day out, returning sometimes hungry sometimes not, sometimes with traces of fights, sometimes he stay also the night out.
When he finally returns, I wonder where he was and what he did during his day. This brought me to the idea to equip the cat with a camera. The plan was to put a little camera around his neck which takes every few minutes a picture. After he is returning, the camera would show his day. First I thought about transmitting live pictures from a remote RF camera, but the equipment is too expensive and battery consumption is too high.

So the idea was born and split into these parts:

  • find small, lightweight, inexpensive digital camera
  • develop a controller for the camera
  • protect the camera from cat attack
  • mount equipment to cat



       Safety Note

Please consider that a collar on a neck of a cat is a potential safety risk. Because a cat wanders and crawls more or less in any place and can catch or trap itself with the collar on an object such as gate rods or tree branches. This may lead to dead of your pet. In the USA are collars common which provide a safety release if a certain amount of force is applied. Everything mounted to the collar will be lost in such a case. Please decide what is more important: The life of your pet or the device on the collar.



       Find camera as central part

Best pick: VistaQuest VQ1005 Digital Keychain Camera

VQ1005 Keychain Camera

This camera is very attractive for unusual ideas because of its size, price and features. I checked some other small cameras but no one could compete against the VistaQuest. For only 20$ (16 Euros) you will get a small 38x60x20mm camera with 1.3M pixel resolution and a light weight of 35 Grams (without battery). The camera offers 8MB internal SRAM as well as a SD card slot were you can add up to 512MB flash memory. The camera is powered with only one AAA battery. You can strip the housing easily to loose weight or get even smaller dimensions. The focus can be adjusted manually. Camera is operated with just two buttons. A small USB interface connects the camera to a PC, no drivers required (at least with XP or 2000), camera is detected as generic USB mass storage device. You can also record movies (limited to 100s) or use it as a Webcam.
A brief datasheet can be found on the VistaQuest website.

Additionally the camera supplied two other internal features which made electronical controlling easy, these are listed in the next section.

There are a few known issues:
  • Viewfinder useless
  • SRAM content lost if battery empty, therefore the SD card option is very beneficial
  • camera "eats" batteries, no wonder because active current draw is approx. 200mA and SRAM is standby supplied (3mA).
  • low performance at dark/shadow situations
  • no flash
With the small size and light weight, the whole thing is so neat for any crazy idea: E.g. as a payload in a weather balloon or around the neck of your dog or cat. I love it !



       Control Camera

For my project the VistaQuest Digital Keychain was the camera I looked for. My goal was to control the a camera by a microcontroller to shoot pictures in a defined time sequence. The VistaQuest made it very easy for me, because it is able to supply my circuit also if switched off. This is because of an internal DC/DC converter which boosts the voltage from the 1.5V battery to 3.3V. The DC/DC converter is always working because of the internal SRAM which holds the pictures. I just had to hook the microcontroller to the internal camera supply.
Another easy thing is to operate the camera by the microcontroller. With just two buttons, internally pulled up, it was very easy to connect the uC ports. Even better, the Atmel AVR uC in-circuit programming interface could be shared so voltage supply and command signals from the camera are be plugged to the same connector.
The remaining space in the camera is large enough to carry the uC board if a smaller housing when DIP is selected (like TSOP).
To save battery capacity, I reduced the uC internal oscillator frequency to 0.5MHz. All interface pins are switched to the lowest power consumptive state during standby. Additionally, the camera is only switched on for taking pictures (highest power saving potential).

Special considerations: it has to be observed that the battery connectors are holding the battery securely during mechanical shock situations. Power loss during Flash write operations may cause damage to the SD card. See additional improvements.
To protect the microcontroller from being damaged because of slowly falling supply power (battery drain) a brown-out protection feature has to be activated.

Camera signals

Signals to control the camera and supply external electronics can be found on the circuit: O=On/off (low active), M=Ground, P=3.3V supply.


Camera signals

Trigger/Shutter signal can be found on the second circuit board at the switch terminal T (low active).


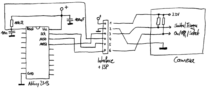
Camera Control Circuit

The picture shows the circuit for the microcontroller board based on an Attiny2313. Later on I switched to an Attiny13 (only 8 pins). You can see that the interface is used for both programming and controlling.


Camera Controller

The picture shows the microcontroller board which plugs to the camera and controls it.


Camera Controller

Located on the reverse side of the control board is the connector to plug onto the camera and also used to program the microcontroller.


Camera with Controller

Here you can see the controller circuit plugged to the camera. The green connector fits to the programming interface of the uC board.



Basic operation sequence:
  • uC timer interrupt increases time counter
  • if time counter matches the adjusted delay time, the camera is switched on
  • picture is taken
  • camera switched off
  • uC pin configuration is set to a state with lowest power consumption
  • time counter set to zero.
You can buy the controller stand-alone for a low price. Please have a look to the datasheet to learn about the features.


Additional improvements:

I realized soon that using a standard AAA battery limits the useful operation time very much. An operation time of 8 hours could be covered, taking one photo every 2.5 minutes. Also the reliability of the battery connection was weak. Therefore I decided to switch over to a 1.2V AA rechargeable NiMh battery with 2.5Ah. I removed the battery connection from the camera board and gained space for the larger AA cell. I soldered wires to the battery terminals (carefully ! Avoid to boil the electrolyte) and to the board. The result was amazing. One charge cycle provided more than 48 hours of operation with a trigger sequence of 1 Minute ! Fortunately the protective housing was large enough to carry the new battery.

It turned out that the cat covered often the lens when lying around. So I simply put the camera top down in the housing. This required a new window hole but provided much better photos. Needless to say that the window has to be extra water tight. Another positive effect: The battery was now on the top, much easier access and much better balanced.



       Protect Camera

Well, I thought the hardest part is done by developing the software and soldering the controller board. But it is more the housing to protect the camera. You can not imagine what kind of requirements have to be fulfilled if you want to equip your cat with a camera. I built a small housing out of plastic plates and put it on the collar of the cat for evaluation purpose. This housing was last seen as the cat walked out of the door... Probably the wires I used for attaching were not strong enough. Or someone released the cat from the interesting looking piece.
For the second try I used the plastic package of a child toy (Kinderueberraschung), put a stone in it for loading it with some weight and attached it again to the cat collar. This time the part returned - dirty and scratched outside, water inside. What the hell is the cat doing !? This raised the requirements for the camera protective housing a lot:

  • Shock resistant - cat jumps from tree, housing hit ground
  • Scratch resistant - Cat cleans itself with claws or sneaks above the ground
  • Water resistant - If cat drinks, the piece around their neck will hang into water
  • Theft resistant - If equipment draws attention cat will loose it, especially if it is easily removable.


Camera in housing

The final result for the protective housing. Upper side is closed with a piece of plastic which is attached by some tape. I made the housing out of a flat plastic lid which I cutted into pieces. The material was PP (Polypropylen) which is kind of soft but unfortunately not glueable with standard plastic or epoxyd glue. So I used hot glue which sticks good on PP. The whole housing is water thight, the lens is covered with a thin and clear PMMA plastic sheet. You can find a construction instructions here.



       Mount Equipment

Big moment no. 1: attach the collar with the camera to the cat. The reaction was not very happy but finally accepted. Reality check passed :-)


Camera mounted to cat

Well, here you can see Mr. Lee with his observation camera.


Big moment no. 2: Cat returns with cargo. Could hardly wait until the collar was removed, housing opened, SD card plugged into computer to see how everything worked.



       Pictures

And here are the photos of his trips: Mr. Lees Trip 1 ->  Mr. Lees Trip 2 ->  Mr. Lees Trip 3 ->  Mr. Lees Trip 4 ->  Mr. Lees Trip 5 

In the meantime some CatCam users provided own pictures: CatCam User Gallery


Back to main

[Homepage]   [Guestbook]   [E-Mail]   [Legal notice]